Вентиляционная накладная инерционная решетка STAR-IRN15
Монтируются на вентиляционные каналы для выброса воздуха. Благодаря тому что решетка STAR-IRN15 работает как обратный клапан она перекрывает ток воздушных масс сразу же после отключения вентилирующих устройств. Так обеспечивается максимально возможная защита от попадания внутрь мусора, проникновения насекомых и осадков.
Описание

Характеристики
Конструкция
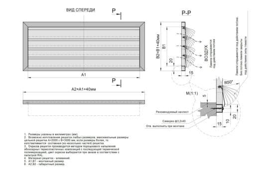
Накладная инерционная решетка STAR-IRN15 выполнена из алюминиевого бокса 20х15мм и подвижных гравитационных жалюзи, которые опускаются вниз при отсутствии потока воздуха под действием гравитации.
Монтаж
Монтаж осуществляется при помощи саморезов.
Материал
Алюминий.
Размер
Минимальные рекомендуемые размеры 100х100мм. Максимальные рекомендуемые размеры 2900х2000 мм. Если ширина решетки превышает 500 мм, устанавливается П-образный профиль 25х25 для жесткости изделия.
Покрытие
Покраска осуществляется порошковым методом на специальном оборудовании в заводских условиях, в цвета по шкале RAL CLASSIC. Продукты с порошковым покрытием более устойчивы к влаге, химикатам, ультрафиолету и других негативных факторов.












